About Microcontroller Operating Clocks
A microcontroller requires a clock signal in order to operate. Almost all internal circuits within the microcontroller function in synchronization with this clock signal. The clock signals that a microcontroller can use can generally be classified into the following three types.
Internal Oscillator Circuit
This is a circuit that generates a clock signal inside the microcontroller. It does not require any external components, making it easy to obtain a clock signal.
Crystal Oscillator Circuit
This circuit generates a clock signal by connecting the microcontroller to a crystal or ceramic resonator and using the microcontroller's internal oscillator inverter. Depending on the characteristics of the resonator, it is possible to achieve a highly accurate oscillation frequency. Crystal oscillators, in particular, offer excellent precision and are even used in timekeeping applications.
External Clock Circuit
In this configuration, the microcontroller does not generate the clock signal internally. Instead, a clock signal is supplied from an external source. External clock sources such as crystal oscillators are typically used for this purpose.
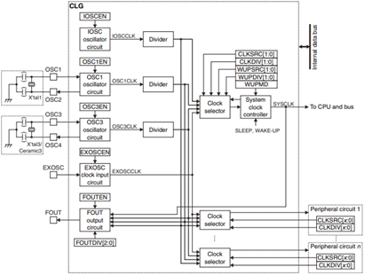
In devices such as Epson's S1C31W65, multiple clock-generation circuits are implemented, including an internal oscillator (IOSC), crystal oscillator circuits (OSC1 and OSC3), and an external clock circuit (EXOSC). These allow the system to flexibly switch between different clock sources depending on the intended purpose and application requirements.
Power Consumption of Microcontrollers
Relationship Between Clock Frequency and Power Consumption
Like most semiconductor devices, microcontrollers consume power when they operate. In modern society, energy efficiency is a critical issue. Not only battery powered devices, but also appliances and other equipment operating from commercial power sources (such as AC 100 V / 200 V) are increasingly required to minimize power consumption.
In general, the higher the clock frequency inside the microcontroller, the higher the current consumption tends to be. However, if the clock frequency is too low, the CPU's processing capability-i.e., the amount of work it can perform per unit time-decreases.
Therefore, selecting the appropriate operating clock speed (frequency) according to the requirements of the product and its processing tasks is essential. If the application requires complex calculations or intensive processing, the CPU should operate at a high frequency. On the other hand, if the CPU is merely waiting for an event to occur, it may be preferable to run the CPU at a lower frequency or, in some cases, even stop the clock signal entirely.
Epson microcontrollers allow the user to freely select the operating clock signal from four different clock sources. This makes it possible to configure the most suitable clock source for each circuit, depending on the intended purpose and application requirements.
Power Supply for Microcontrollers
Regulators
Semiconductor devices have specified operating voltage ranges that must be satisfied during use. In systems where a stable power supply is always guaranteed, this generally does not pose significant problems. However, in systems powered by batteries, it is necessary to design the system with careful consideration of both the semiconductor device's operating voltage range and the characteristics of the battery.
In battery powered systems, voltage regulators or similar components are required to stabilize the supply voltage. In the case of microcontrollers that operate as single chip devices, internal mechanisms-such as built in regulators-are needed to ensure stable internal power.
Most Epson microcontrollers generate their internal operating power by using built in regulators that derive voltage from an externally supplied power source. By using this internally regulated power as the operating voltage for internal circuits, stable operation can be achieved.
DC-DC Converter
The DC-DC converter built into Epson microcontrollers is a circuit designed to provide a stable power supply, similar to the aforementioned regulator. In addition to a regulator, it also uses a charge pump to generate a stabilized voltage. When using a charge pump, the supply voltage must exceed a specified minimum level, but it enables the generation of a stable output voltage with lower power consumption compared to a regulator.
In Epson's S1C17W series, the operating mode that uses the power generated by the charge pump based supply system is referred to as "Super Economy Mode." This mode enables the microcontroller to operate with exceptionally low current consumption.
